产品型号:RS-ZXMSCJ-DY-N01-1
无线振弦式传感器采集器
多通道振弦传感器采集仪
振弦式锚索计采集器
振弦式渗压计
振弦式表面应变计
振弦式钢筋计
振弦式锚索计
振弦式土压力计
振弦式轴力计
振弦式传感器采集器(小防水壳)
大王字壳振弦式传感器采集器
产品概述
振弦式锚索计采集器默认搭配振弦式锚索计使用。用于采集振弦式锚索计信号,内部处理分析其信号稳定程度,进而计算频率值。支持频率转换成物理量,减少后期数据处理。 该产品支持三路振弦信号采集,均支持频率、阻值,物理量数值输出,方便现场安装问题排查,支持输出三路振弦数据统计的最终物理量。
该产品应用于长期测量土石坝、防波堤、护岸、码头岸壁、高层建筑、管道基础、桥墩、基坑岩土性状、支护结构变位和周围环境条件的变化进行各种观察及分析工作,并将监测结果及时反馈,预测进一步施工后将导致的变形及稳定状态的发展,根据预测判定施工对周围环境造成影响的程度,来指导设计与施工,实现所谓信息化施工。支持现场用户自行标定初始频率及计算系数,输出信号类型分为 RS485,最远可通信 2000 米,标准的 ModBus 协议,支持二次开发。
功能特点
内嵌高分辨率频率测量元件,适应范围广,三路振弦信号采集,支持市场上大多数振弦式锚索计;
支持内部直接将频率转换成对应物理量,减少后期数据处理;
温度测量同时兼容热敏电阻或DS18B20;
连接振弦式传感器后支持查看传感器频率线及热敏电阻内阻,数据异常时无需现场排查,后台即可进行故障排除;
激励电压限制可设,内置激励保护措施,防止激励电压过高损坏传感器;
10~30V 直流宽电压范围供电;
设备防尘、防水;
提供多款数据监测软件,可供用户后台查看实时数据及历史变化曲线;
输出信号类型分为RS485,最远可通信 2000 米,支持二次开发。
主要技术参数
| 直流供电(默认) | DC10-30V |
| 最大功耗 | ≤1.2W |
| 工作温湿度 | -40℃~80℃,0~80%RH(非结露) |
| 测频范围 | 400-7000Hz |
| 激励电压 | 30-220V |
| 频率误差 | ±0.05Hz(@800Hz,52%RH,21.2℃) |
| 频率分辨率 | 0.01Hz |
| 数据更新间隔 | 默认300s,采集间隔可设置 |
| 热敏电阻采集范围 | 1-10kΩ |
| 温度分辨率 | 0.1℃ |
| 默认线缆长度 | 60cm,线缆长度可按要求定制 |
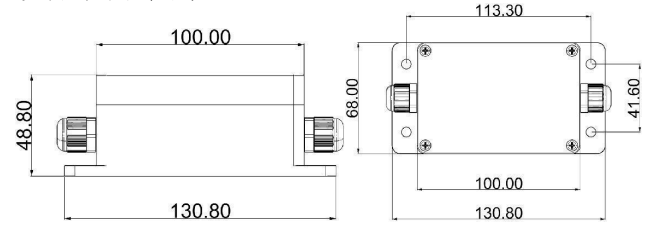
| 外形尺寸 | 152*91*55mm |
| 输出信号 | RS485(ModBus协议) |
| 防护等级 | IP65 |
产品选型
| RS- | 公司代号 | ||||
| ZXMSCJ- | 振弦式锚索计采集器 | ||||
| DY- | 电源供电 | ||||
| N01- | 485输出 | ||||
| 1 | 1代壳体外观 | ||||
系统框架图
尺寸说明

安装说明
壁挂式安装:
将设备安装在指定位置后,用户需自行将保险丝放入管座并安装至指定接口处,安装成功后,设备已经处于上电状态。
接口说明
